مدونة
بيت مدونة

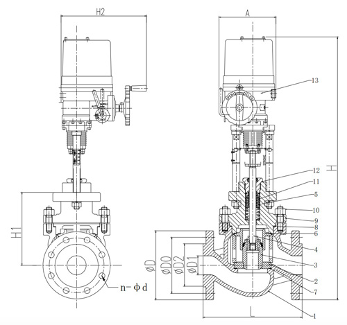
صمام التحكم في توازن الضغط الكهربائي بمقعد واحد مع غطاء مزدوج على كل جانب

أرشيف
العلامات

صمام التحكم في توازن الضغط الكهربائي بمقعد واحد مع غطاء مزدوج على كل جانب

November 30, -0001

مقدمة:

 

في عالم العمليات الصناعية المتغير باستمرار، يُعد التحكم الدقيق أمرًا بالغ الأهمية. نقدم لكم نظام GEKO الثوري صمام التحكم في توازن الضغط الكهربائي بمقعد واحد مع رفرف مزدوج على كل جانب، يوجد حل متطور مصمم لرفع قدرات التحكم لديك إلى مستويات غير مسبوقة.

 

Electric-Pressure-Balance-Single-Seat-Control-Valve-with-a-Double-Flap-On-Each-Side.jpg

 

الميزات الرئيسية:

 

إعادة تعريف الدقة:

جيكو صمام موازنة الضغط الكهربائي صُمم هذا النظام لتوفير دقة لا مثيل لها في التحكم بمعدلات التدفق والضغط. يضمن تصميم الغطاء المزدوج على كلا الجانبين تعديلًا دقيقًا وسريع الاستجابة، مما يتيح تحكمًا مثاليًا في العمليات في مختلف التطبيقات.

 

تقنية توازن الضغط:

تم دمج تقنية توازن الضغط في هذا صمام التحكم يضمن ثبات وموثوقية التشغيل. استمتع بأداء ثابت حتى في ظروف التشغيل الصعبة والمتقلبة، بفضل التزام GEKO بالهندسة المتطورة.

 

ميزة اللوحة المزدوجة:

يُحدث تصميم الغطاء المزدوج على جانبي الصمام نقلة نوعية. فهو يُعزز دقة التحكم، ويُقلل من التباطؤ، ويُحسّن زمن الاستجابة. تُميز هذه الميزة المبتكرة شركة GEKO كشركة رائدة في تكنولوجيا صمامات التحكم.

 

إطلاق العنان للتنوع:

سواءً كنت تعمل في الصناعات الكيميائية أو البتروكيماوية أو توليد الطاقة أو غيرها من الصناعات التحويلية، فإن صمام موازنة الضغط الكهربائي من جيكو مصمم ليتناسب مع مجموعة واسعة من التطبيقات. تعدد استخداماته يجعله الحل الأمثل للمهندسين والمشغلين الذين يبحثون عن صمام تحكم موثوق وقابل للتكيف.

 

التكامل السلس:

التكامل مع أنظمة التحكم الحالية سلس، مما يتيح لك ترقية إعداداتك الحالية بسهولة. استمتع بمزايا تقنيات التحكم الحديثة دون الحاجة إلى تعديلات مكثفة.

 

بناء قوي:

تُدرك شركة جيكو متطلبات البيئات الصناعية. صُمم صمام التحكم مع مراعاة المتانة، ويتميز ببنية متينة تضمن طول العمر وقلة الصيانة، مما يُسهم في تحقيق فعالية التكلفة الإجمالية.

 

خاتمة:


صمام التحكم الكهربائي بتوازن الضغط أحادي المقعد من جيكو، المزود بغطاء مزدوج على كل جانب، هو حلٌّ ثوريٌّ للصناعات التي تسعى إلى الدقة والكفاءة والموثوقية. حسّن قدراتك في التحكم وحافظ على صدارتك في السوق التنافسية مع التزام جيكو بالابتكار والتميز. استثمر في مستقبل تكنولوجيا التحكم - اختر جيكو. info@geko-union.com

 

ترك رسالة

ترك رسالة
إذا كنت مهتمًا بمنتجاتنا وتريد معرفة المزيد من التفاصيل، فيرجى ترك رسالة هنا، وسوف نقوم بالرد عليك في أقرب وقت ممكن.
يُقدِّم

بيت

منتجات

اتصال